文件大小:7.61M
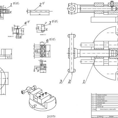
SolidWorks软件设计的一款虎台钳的3D模型,有SLDPRT,SLDASM格式的图纸,分享一下
SolidWorks软件设计的一款虎台钳的3D模型,有SLDPRT,SLDASM格式的图纸,分享一下
80下载140浏览5.97M
15下载329浏览209.42K
78下载211浏览1.9M
28下载330浏览3.53M
79下载171浏览838.06K
16下载369浏览6.67M
3下载370浏览12.1M
10下载249浏览4.92M
27下载137浏览139.27K
91下载122浏览38.5M