文件大小:1.85M
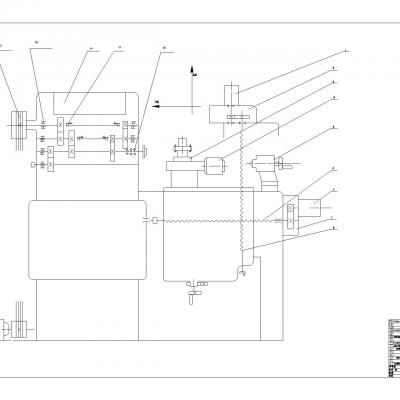
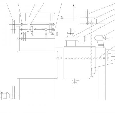
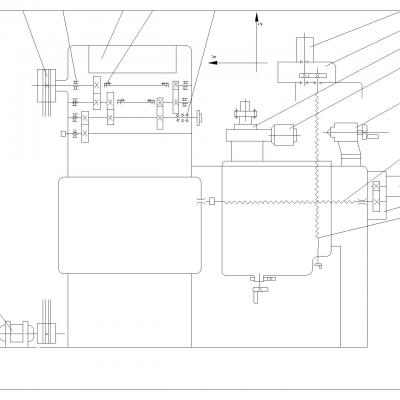
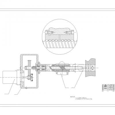
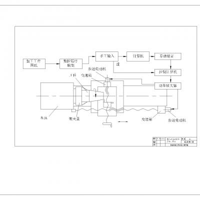
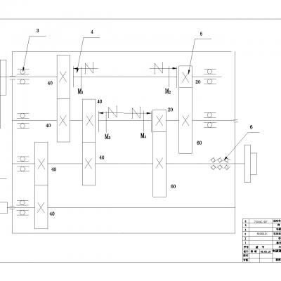
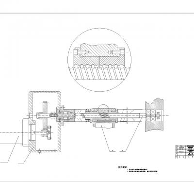
C618数控车床的主传动系统设计
C618数控车床的主传动系统设计
15下载207浏览148.79M
21下载236浏览5.84M
67下载184浏览433.21K
55下载180浏览769.08K
94下载357浏览6.98M
29下载316浏览3.96M
97下载396浏览10.3M
52下载299浏览62.76M
33下载344浏览7.01M
17下载345浏览45.75M