文件大小:14.8M
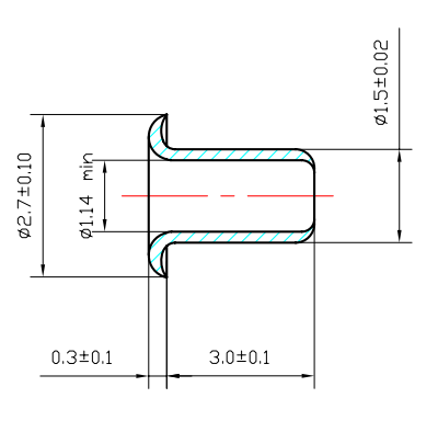
自动化气动铆钉机3D模型 SolidWorks源文件可编辑有参数步骤。气动铆钉机(也称之为气动铆接机、气动旋铆机、气动铆合机、气动辗铆机等)是铆钉机中的一种,是指能用铆钉把物品铆接起来的机械装备,铆钉机主要靠旋转与压力完成装配工作。气动铆钉机又名气动拉铆枪或气动拉钉机或气动铆钉枪或气动抽芯铆钉枪,叫法不一,是目前国内先进的铆接工具。
自动化气动铆钉机3D模型 SolidWorks源文件可编辑有参数步骤。气动铆钉机(也称之为气动铆接机、气动旋铆机、气动铆合机、气动辗铆机等)是铆钉机中的一种,是指能用铆钉把物品铆接起来的机械装备,铆钉机主要靠旋转与压力完成装配工作。气动铆钉机又名气动拉铆枪或气动拉钉机或气动铆钉枪或气动抽芯铆钉枪,叫法不一,是目前国内先进的铆接工具。
26下载191浏览41.1M
58下载267浏览1.8M
98下载372浏览2.91M
47下载375浏览6.66M
58下载361浏览10.4M
89下载371浏览932.27K
94下载350浏览2.09M
18下载273浏览24.2M
45下载259浏览89.6M
37下载224浏览1.56M