文件大小:18.6M
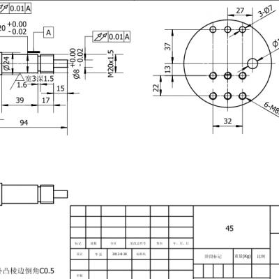
一整套六轴机器人图纸,小六轴机器人包括二维零件图、装配图。三维零件图、部件图、装配图。标准件、外协等等。很难得的。
一整套六轴机器人图纸,小六轴机器人包括二维零件图、装配图。三维零件图、部件图、装配图。标准件、外协等等。很难得的。
14下载167浏览12.5M
31下载211浏览694.24K
85下载367浏览3.74M
15下载260浏览2.53M
43下载312浏览1.17M
75下载254浏览75.3M
29下载206浏览9.6M
82下载312浏览45.8M
10下载317浏览1.1M
33下载209浏览3.95M