文件大小:1.56M
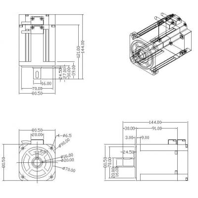
500W马达图面-CS80-05C5AE550W
额定功率 550
额定扭矩(Kg*cm) 17.84
瞬间最大扭矩(Kg*cm) 53.53
额定转速 (RPM) 3000
反电势常数KE (V/KRPM) 58.4
线电阻(Ohm) 2.75
线电感(mH) 12.35
电气常数(ms) 4.49
转子惯量 (g*cm2) 1107
绝缘等级 F级
电机使用时环境湿度 0~40℃
重量(Kg) 2.41









