文件大小:10.1M
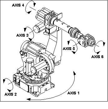
有130公斤有效载荷重量的能力s-430机器人FANUC 1990的模型。
该模型由5个伺服电机。底座,机械手臂,机械手头,固定螺钉,杆机构等组成。其中有3节可活动的有伺服电机控制的关节。实现了空间360度任意旋转,机械手头可以夹持刀具测头等装置。欢迎大家下载。
有130公斤有效载荷重量的能力s-430机器人FANUC 1990的模型。
该模型由5个伺服电机。底座,机械手臂,机械手头,固定螺钉,杆机构等组成。其中有3节可活动的有伺服电机控制的关节。实现了空间360度任意旋转,机械手头可以夹持刀具测头等装置。欢迎大家下载。
40下载254浏览58.3M
65下载206浏览21M
18下载248浏览32.2M
3下载211浏览54.1M
72下载144浏览2.24M
20下载237浏览538K
86下载267浏览417.03K
78下载321浏览425.59K
91下载111浏览522K
17下载199浏览770.78k