文件大小:179.07K
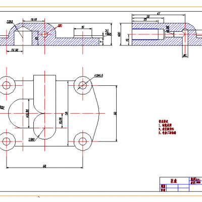
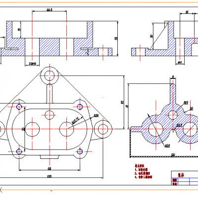
此为CAD图纸为机油泵一些主要零件的二维平面图,希望对大家有帮助。
此为CAD图纸为机油泵一些主要零件的二维平面图,希望对大家有帮助。
59下载212浏览19.2M
82下载218浏览18.3M
10下载152浏览2.86M
50下载290浏览16.6M
97下载137浏览14.6M
5下载208浏览42.98K
22下载216浏览9.7M
16下载124浏览15.3M
97下载209浏览948.68K