分享好友 中模头条首页 中模头条分类 切换频道

Solidworks三维建模练习题

2016-05-20 09:194350佚名互联网

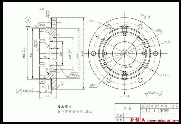
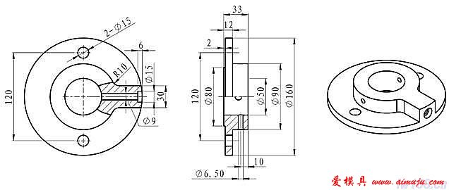
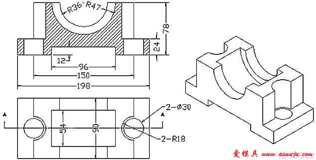
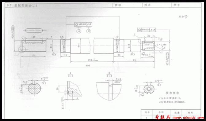
Solidworks三维建模练习题练习一:    拉伸与切除 练习二:     原点的合理选择,拉伸,旋转切除,几何关系的添加(如2XR15的圆) 练习三:     原点的合理选择,旋转等 练习四:练习五:    原点的合理选择,基准面的建立等练习六:    轴套类零件:原点的选择,旋转,练习七:    盘盖类零件:旋转练习八:    做一个弹簧,尺寸自定

举报
收藏 0
打赏 0
评论 0
solidworks标准图框_下载
下载地址:电信下载铁通下载网通下载solidworks标准图框下载,利用标准图框,使用时会很方便。绘制工程图时,在工程图里面点右键

0评论2018-11-052164

SolidWorks2010管路附件库 V1.0
附件下载:SolidWorks2010管路附件库 V1.0内容简介: 此管路附件标准件库包括:管子无缝钢管.SLDPRT法兰法兰连接球阀[125].SLDPR

0评论2018-11-05409

Solidworks高级设计教程
附件下载:Solidworks高级设计教程内容简介:Solidworks高级设计教程:快速入门装配体基础工程图基础系列零件设计表基本功能补充

0评论2018-11-05404

solidworks操作小技巧35条
1、按空格键:弹出快捷菜单双击某一视图,模型将转向某一方向。2、螺纹孔用异型孔向导命令作,做出的仅仅是孔的大小;修饰螺纹:

0评论2018-11-05430