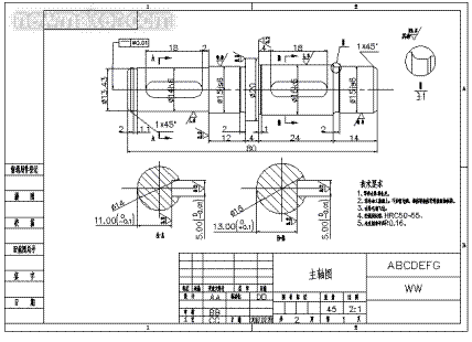
下图是一个机械设计的实例(如图1),该图包括的元素很多,有图框、轴设计、中心线绘制、智能标注等。如果采用普通的CAD软件进行绘制,大致需要2小时才能完成,而通过浩辰CAD机械2013绘制,可以在半小时左右完成。那么,浩辰CAD机械2013是如何达到这一效果的呢?

专业CAD软件区别于平台CAD软件的一个重要方面便是其拥有众多专业的设计和绘图工具,浩辰CAD机械2013则在延续了这个特点的同时将其“发扬光大”,采用了更高效、更贴心的设计和绘图工具。例如,在轴设计上,软件提供了轴段的基本形式:光轴、键周、螺纹轴、孔轴和梯形轴等,能直接在设计编辑框中对轴段倒角/倒圆,还能智能创建轴截面。便于设计师利用最少的时间加快轴的绘制和分析。
此外,浩辰CAD机械2013还在创建视图、齿轮设计等方面进行了幅度较大的革新,可以帮助设计师减少时间耗费,将精力用在更有创造力的设计中。
其次,浩辰CAD机械2013在速度上表现极为优秀
由于浩辰CAD机械2013基于浩辰CAD8平台软件开发,因此具备了浩辰CAD8的性能优势。速度方面,在革命性的绘图引擎以及智能区域显示、分级内存交换、图形数据自适应压缩等多项独创技术的帮助下,其缩放、平移、捕捉性能较旧版本提升3-5倍,个别操作例如打开图层等操作提升5-10倍,直接促进了效率的提升。
随着浩辰CAD机械2013发布日期的临近,大家即将可以下载该软件,并体验软件在设计效率上带来的提升。





