1 概述
在我国目前大力普及和推广三维CAD技术的情况下,在三维CAD软件中如何清楚地表达三维图形的结构、形状、位置、尺寸,对于制造及工程设计人员具有重要意义。它应该逐渐成为一种基本技能;对三维图形进行尺寸标注主要涉及到以下几方面的问题:
①三维图形的表达方法;
②三维图形的尺寸标注方法和原则;
③三维图形标注具体实现过程。
本文针对上述几个问题展开研究,并以AutoCAD 2004软件系统为平台,以实例形式给出了其实现方法和手段。
2 三维CAD图形尺寸标注前的表达方法
工程技术人员在多年的产品设计、制造过程中,对于零件的图纸表达方式主要体现在以下几种形式。
(1)单一立体轴测视图表达:图形相对简单,曲面少,适用于一个视图就能够表达清楚的场合;
(2)四种视图匹配表达:即主视图、俯视图、左视图、轴测视图配置,这种表达比较正规,适用于三维图形相对复杂,必须用四个视图能够表达清楚的场合,而这种表达也最为常用。
(3)多视图匹配表达:对于非常复杂的图形,需要在四视图基础上,增加其它方向视图、局部视图,剖视图表达;其表现更加丰富,尤其适用于比较复杂,用四个视图表达不清的时候。其表达实现手段和技术相对比较麻烦。
此外,有了三维CAD技术以后,轴测图的表达也可以分为着色图和轮廓投影图两种形式,具体采用哪种形式要根据具体需要。在三维CAD软件中,一般都给用户提供三维标注手段(即相应命令),但在其实现过程和难易程度上有所不同,为了实现上述目的,需要深入研究不同软件的实现方法,本文是针对AutoCAD 2004展开研究。
3 标注原则研究
三维图形尺寸标注需要参考工程CAD制图规则的轴测图标注或二维图形标注原则。
总体原则是正确、完整、清晰、合理与美观。正确是指要符合标准的规定;清晰是指尺寸标注要易于阅读;合理是指不能出现缺少标注或者冗余标注的情形;合理方面的要求比较复杂,要求尺寸标注符合加工、制造工艺要求;在保证上述三个原则的基础之上,应力求标注处的尺寸美观。
考虑到上述多种因素,以及符合国家标准、美观、实用等特征,特制定标注原则如下:
①标注前,首先新建一个或多个专用图层作为标注层。
②标注尺寸以实际三维图形尺寸为依据,并注意比例设置。
③零件的每一个尺寸,一般只标注一次,并应标注在最后反映该结构最清晰的图形上。
④尺寸默认以mm为单位,不需标注计量单位代号。
⑤尺寸界线:只能是细实线,并应由图形的轮廓线、轴线或对称中心线处引出。
⑥考虑到标注出的文字效果,标注汉字选用仿宋字体,标注数字与字母选用西文Romans。如果在三维模型空间下标注,文字倾斜角度—般为10~15°。
4 三维图形标注的实现
4.1 标注前的技术准备-尺寸标注设置
AutoCAD中通过标注样式管理器来对尺寸标注进行设置与管理,单击标注样式管理器图标或者在命令提示行输入ddim,进入“标注样式管理器”对话框。单击“新建”按钮,弹出“创建新标注样式”对话框。注意:用于“所有标注”的选项是设置总体样式。特别说明,在复杂的标注情况下,一套总体尺寸标注往往不够,所以可另外设置多套总体样式,根据需要在样式管理器中适时地切换使用。接着在总体样式基础上建立【线性尺寸】、【直径】、【半径】、【角度】等子样式,并选择相应的应用对象。
具体设置时,应按需要考虑是否隐藏箭头和尺寸界线、箭头大小、文字对齐、文字高度、文字方位等;要在主单位中设置尺寸标注精度、前缀和后缀等,前缀、后缀、公差等也可通过特性对话框来设置或修改(注:适合于个别尺寸的调整);有关箭头和文字放置的特殊要求(如要求放在尺寸线内或尺寸线外等),可在【调整】选项栏中设置,必要时可选手动放置文字选项。
4.2 三维尺寸标注分类
本文根据零件的外轮廓以及内部结构的复杂程度,将尺寸标注的方法分为两大类:三维模型空间下的尺寸标注和二维图纸空间下多个视图的尺寸标注。
4.3 三维尺寸标注表达举例
(1)三维模型空间下的尺寸标注:
当三维图形外轮廓相对简单,且内部结构尺寸不需要过多描述时,可采用在三维模型空间下标注的方法。该方法的优点在于;直观易懂,不需要考虑重复标注的情况。不足之处:标注过程中较多地移动和旋转UCS坐标系;有时需要添加辅助线甚至辅助平面来解决标注图形标注位置异面的问题。
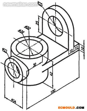
实际上,AutoCAD中没有三维标注的功能,尺寸标注都是基于二维的图形平面标注的。图1为三维模型空间下标注并投影到二维图纸空间下的零件示例。三维模型空间下的尺寸标注依附于二维平面的标注,因此要将用户坐标系建立在待标注的平面(即当前标注的X-Y面)是非常重要的。此外坐标系的放置角度也影响到标注文字的方向,这里提供一条左手法则:首先令左手平面通过尺寸标注平面(XY平面),四指平行于X轴指向尺寸线方向,则大拇指指向文字垂直方向。
在模型空间中对该三维图形进行尺寸标注时,十字中心线的应用成功地解决了标注位置不易确定的难题,同时也起到了一定的美化效果。图1中三个十字中心线的意义没有局限在定位图形的中心基准上,更加起到标注辅助线的作用。Φ34圆柱水平十字线上Centre线通过夹点编辑拉伸至与轴侧前表面平齐位置,准确标注出三维图形总体长度100。更为巧妙的是Φ36和Φ50处十字中心线的使用,通过夹点编辑将Centre线拉伸至轴侧前表面平齐位置(与Φ34圆柱拉伸的Centre线对齐),如此很容易标注出相关圆柱中心距30;同时借助在底面绘制的Line直线能够标注出圆柱的高度42。从R25处的十字中心线上引出的高度标注25显得布局比较合理且美观。


当三维图形呈现不规则外轮廓,或其内部结构复杂时,可考虑采用将三维实体投影到二维图纸空间中,在多个视图下进行二维尺寸标注,实现“三维标注”向“二维标注”的转化。该法的优点在于:由于图纸空间本身是二维空间,其中各个视图是二维图形,因此可以象对二维图形那样进行尺寸标注而不必适时地移动用户坐标系;图纸空间的标注不会影响模型空间的图形;在图纸空间标注尺寸容易保证尺寸标注的外观规格一致性。缺点:尺寸标注是在多个视图中进行的,所以做到“不重不漏”地标注出图形尺寸可能会遇到困难;重建三维实体时需要将各个视图联系起来才能正确读出图形尺寸,这就要求具备一定的识图经验和读图技巧。

图2 投影标注流程图
标注过程中,主视图、左视图与俯视图三者进行综合考虑,在“长对正,高平齐,宽相等”的原则指导下,高度尺寸宜在左视图中标出;长度尺寸宜在主视图中标注;宽度尺寸宜在俯视图中标注。当然这一做法并不绝对,具体还需要考虑图形标注布局,以及美观与否(参见图3)。

图3 投影后的多视围尺寸标注
笔者在参与教学辅导过程中发现,标注时经常出现两类错误:标注字体错误,字高无法调整,标注文字与中心线相互重叠,文字与尺寸线距离太近,标注产生空心箭头等,这一类我们称之为疏漏性错误,就是说绘图者只要在标注时细心就完全可以避免类似的错误。以上错误对应的解决办法:认真选择标注字体名,不要在文字样式管理器中设置字体的高度,标注文字与中心线交叠部分采用Break命令进行打断,标注样式管理器文字卡中文字“从尺寸线上的偏移量”设置大一些,箭头选项卡中选择实心箭头等。另一类是知识性错误,如“重标、漏标”,尺寸布局不合理等。这类问题的解决和绘图者标注知识、经验密不可分,需要绘图者平时认真研习成功的标注范例,总结技巧与规律,并且要加强标注方面的训练。
6 结论
综上所述,三维尺寸标注的技巧和方法归纳起来主要有以下四点:
①采用“由外而内、分层”的标注方法。即先从图形外部轮廓开始标注,然后进行内部尺寸标注。
②主、俯、左三个视图相互联系,相互配合。主视图下标注长度尺寸,俯视图下标注宽度尺寸,左视图下标注高度(或宽度)尺寸。三者共同表达出完整的三维尺寸信息。
③中心线做标注辅助线。调整中心线长度,解决图形标注时位置不共面问题。
④核查。标注完成后,核查是否已将图形尺寸信息完整地表达出来,能否利用这些尺寸重建原先的三维图形。





