文件大小:1.36M
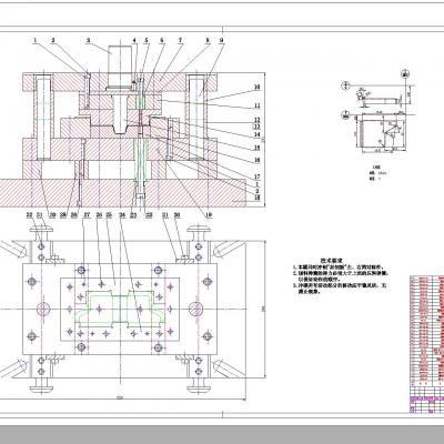
封闭板成形模及冲压工艺设计
封闭板成形模及冲压工艺设计
48下载332浏览1.75M
97下载376浏览1.85M
15下载207浏览148.79M
21下载236浏览5.84M
67下载184浏览433.21K
55下载180浏览769.08K
94下载357浏览6.98M
29下载316浏览3.96M
97下载396浏览10.3M
52下载300浏览62.76M