文件大小:985.62K
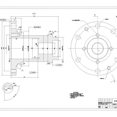
“差速器壳”的工艺规程和钻端面12孔钻床夹具设计
“差速器壳”的工艺规程和钻端面12孔钻床夹具设计
64下载242浏览597.87K
56下载271浏览319.88K
33下载333浏览3.6M
103下载173浏览157.23K
49下载313浏览563.82K
77下载181浏览96.77K
82下载331浏览6.61M
46下载250浏览2.08M
14下载278浏览634.31K
4下载295浏览3.61M