分享好友 中模头条首页 中模头条分类 切换频道

塑料产品设计规范

2016-03-29 13:422240中模在线中模在线


二.     繪制預備性的設計圖:

當產品的功能需求,外觀被確定以后,設計者可以根據選定的塑膠材料性質,開始繪制預備性的產品圖,以作為先期估價,檢討以及原則模型的制作.


三.制作原型模型:

原型模型讓設計者有機會看到所設計的產品的實體,並且實際的核對其工程設計.原型模型的制作一般有兩種方式,第一種就是利用板狀或棒狀材料依圖加工再接合成一完整的模型,這種方式制作的模型,經濟快速,但是,缺點是量少,而且較難作結構測試;另一種方式,是利用暫用模具,可作少量生產,需花費較高的模具費用,而且所費的時間較長,但是,所制作的產品較類似於真正量產的產品(需要特殊模具機構的部分,可能成形后再以機械加工成形),可做一般的工程測試,而且建立的模具,成形經驗,將有助於產品針對實際模具制作,成形需要而作正確的修正或評估.


四.產品測試

每一個設計都必須在原型階段,接受一些測試,以核對設計時的計算和假想和實體之間的差異.

產品在使用時所需要做的一些測試,大部分都可以籍著原型做有效的測試;此時,面對了所有設計的功能要求,並且能夠達成一個完整的設計評估.

模擬使用測試通常在模型產品階段就必須開始,這種型態的測試價值,取決於使用狀態被模擬的程度而定.

機械和化學性質的加速化測速通常被視為模型產品評估的重要項目.


五.設計的再核對與修正

對設計的檢討將有助於回答一些根本的問題:所設計的產品是否達到預期的效果?價格是否合理?甚至於在此時,許多產品為了生產的經濟性或是為了重要的功能和外形的改變,必須被發掘並改善,當然,設計上的重大改變,可能需要做完整的重新評估;假若所有的設計都經過這種仔細檢討,則能夠在這個階建立產品的細節和規格.


六.制定重要規格

規格的目的在於消除生產時任何的偏差,以使產品符合外觀,功能和經濟的要求,規格上必須明確說明產品所必須符合的要求,它應該包括:制造方法,尺寸公差,表面加工,分模面位置,毛邊,變形,顏色以及測試規格等.


七.開模生產

當規格被謹慎而實際的訂定之后,模具就可以開始被設計和制作,模具的設計必須謹慎並咨詢專家的意思,因為不適當的模具設計和制造,將會使得生產費用提高,效率降低,並用可能造成品質的問題.


八. 品質的控制

對照一個已知的標准,訂定對生產產品的規律檢測是良好的檢測作法,而檢測表應該列出所有應該被檢查的項目,另外,相關人員,如品管者或設計者也應與成形廠聯合訂定一個品質管制的程序,以利於在生產的產品能夠符合規格的要求.


產品設計細節確定:

一.    分模線之選定

1.        不得位于明顯影響外觀的位置

2.        開模時不形成死角(undercut)的位置

3.        位于模具易加工的位置

4.        位于成品后加工容易的位置

5.        位于不影響尺寸精度的位置(尺寸關系重要的部分盡量放在模具的同一邊)


二.    脫模斜度

脫模斜度是為了便于產品從模具中脫出而設置的。

脫模斜度一采用1~2度﹐最小不小于0.5度。具體數值視成品形狀﹐成形材料的類別﹐模具結構﹐表面精度﹐以及加工方等會有所不同。在不影響產品品質的前提下﹐脫模斜度愈大愈好。


三.    產品外形及肉厚

產品外形盡量采用流線外形﹐避免突然的變化﹐以免在成形時因塑膠在此處流動不順引起氣泡等缺陷﹔并且此處模具易產生磨損。


決定肉厚的主要因素﹕

1.        結構強度是否足夠

2.        能否抵脫模力

3.        能否均勻分散所受的沖擊力

4.        有埋入件時﹐能否防止破裂﹐如產生熔合線是否會影響強度

5.        成形孔部位的熔合線是否會影響強度

6.        盡可能肉厚均勻﹐以防止產生縮水

7.        棱角及肉厚較薄部分是否會阻礙材料流動﹐從而引起充填不足


肉厚不均對成形性的影響﹕

1.        成形品之冷卻時間取決于肉厚較厚的部分﹐使成形周期延長﹐生產性能降低

2.        肉厚不均則成品冷卻后收縮不均﹐造成縮水﹐產生內應力﹐變形﹐破裂等

我們經常用的材料有:PC,ABS,PMMA等幾種,它們的標准肉厚如下:

PC:1.5-5.0  ABS:1.2-3.5 PMMA:1.5-5.0


四.    加強與防止變形

方法﹕

1.        轉角部位加R

塑膠產品的尖銳轉角常常是造成產品破壞的最大因素.消除產品尖銳的轉角,不但可以降低該處的應力集中,提高產品的結構強度,也可以使得塑膠材料成形時有流線型的流路,以及成品更易於頂出.另外,從模具的觀點,園角也是有益於模具加工和模具強度.

產品所有的內側和外側的周邊轉角園弧都必須盡可能的大,以消除應力集中;但是,太大的園弧可能造成縮水,特別是在肋或突柱根部轉角園弧.原則上,最小的轉角園弧為0.020到0.030inch.

綜上所述,園角對於成形品的設計會有以下的一些優點:

(1) 園角使得成形品提高強度以及降低應力.

(2) 尖銳轉角的消除,自動地降低了龜裂的可能性,就是提高對突然的震動或沖擊的抵抗能力.

(3) 塑膠的流動狀態將被重大的改善,園形的轉角,使得塑膠能夠均勻,沒有滯留現象以及較少應力的流入模穴內所有的斷面,並且改善成形品斷面的密度之均勻性.

(4) 模具強度獲得改善,以避免模具內尖銳的轉角,造成應力集中,導致龜裂,特別是對於需要熱處理或受力較高的部分,園弧轉角更為重要.

園角加大,應力集中減少.

內圓角R<0.3T ----應力劇增

內圓角R>0.8T ----几乎無應力集中

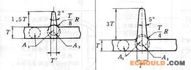
2.        增設加強肋

肋根部厚度約為(0.5~0.7)T

PC,PPO

T<0.6T

PA,PE

T<0.5T

PMMA,ABS

T<0.5T

PS

T<0.6T

肋間間距>4T

肋高L<3T

3.        利用變化肉厚及形狀

1)       側壁加強

既可防止變形﹐也可改善流動性

2)       邊緣加強

用變化的邊緣形狀來加強﹐防止變形

3)       周邊加強

較大的平面易發生翹曲變形﹐用周邊凹凸或波浪形來防止變形

4)       底部加強

箱形件底部﹐為加強及防變形常采用如下方法﹕


« 上一页 2/5 下一页 »
举报
收藏 0
打赏 0
评论 0